445nm-10W
BWT, founded in 2003, is committed to the mission of "let the dream drive the light", the vision of becoming the "Global leader in laser solutions", and the value of "Outstanding innovation", providing diode laser, fiber laser, ultra-fast laser products and solutions to global customers.BWT pursues continuous innovation and insists on autonomous and controllable advanced process and technology. With Beijing headquarters as the core, BWT has successively established production and R&D centers in Jiangsu, and Shenzhen, and Invested in the construction of an automated and intelligent production base in Tianjin. To build a high level of technical strength and product quality, BWT set up a German subsidiary in 2020, and taking a solid step for the internationalization of R&D, production and technological innovation.
Main features:
Application:
Performance Parameter
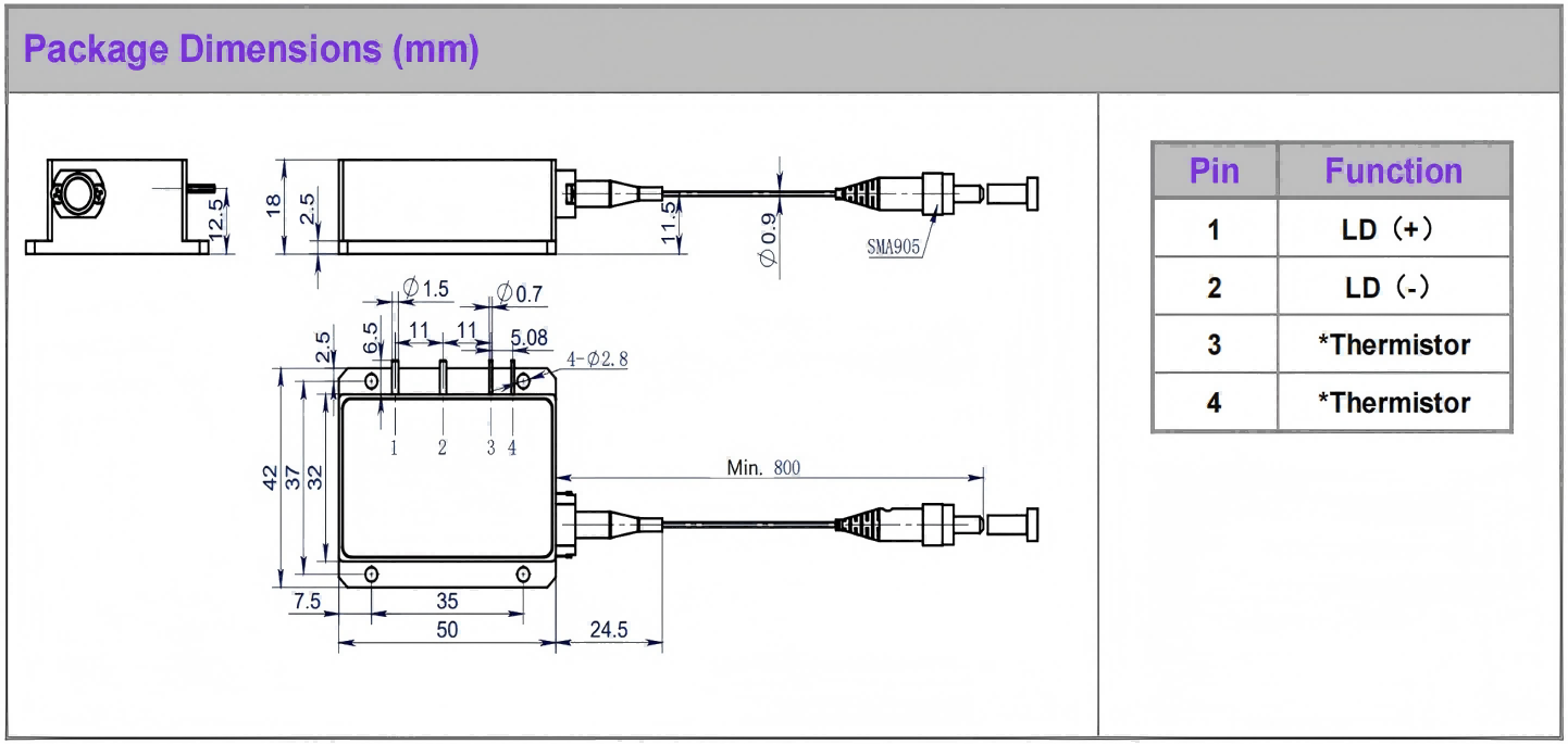
Structure Size (mm)
Instructions for use
Avoid eye and skin exposure to direct radiation during operation.
ESD precautions must be taken during transportation, storage, and operation. A short-circuit connection is required between pins during transportation and storage.
For lasers with operating currents above 6A, connect leads by soldering. The soldering point should be as close to the middle of the pins as possible, with a temperature below 260℃ and a soldering time of less than 10 seconds.
Before operating the laser, ensure that the fiber output end is properly cleaned. Follow safety protocols when handling and cutting fiber to avoid injury.Use a constant current power supply and avoid surges during operation.
Operate within the rated current and power levels.
Ensure proper cooling during operation.
The operating temperature range is 15℃ to 35℃.
The storage temperature range is -20℃ to +70℃.

