405nm-30W
MS series 405 diode laser components, which can provide power output from 12W to 50W, are widely used in LDI/maskless lithography and other applications; This module is designed with 400um pluggable optical fiber, which is convenient for users to maintain; This module adopts the spot homogenization scheme, which is more suitable for LDI applications.Main features:
Application:
Performance Parameter
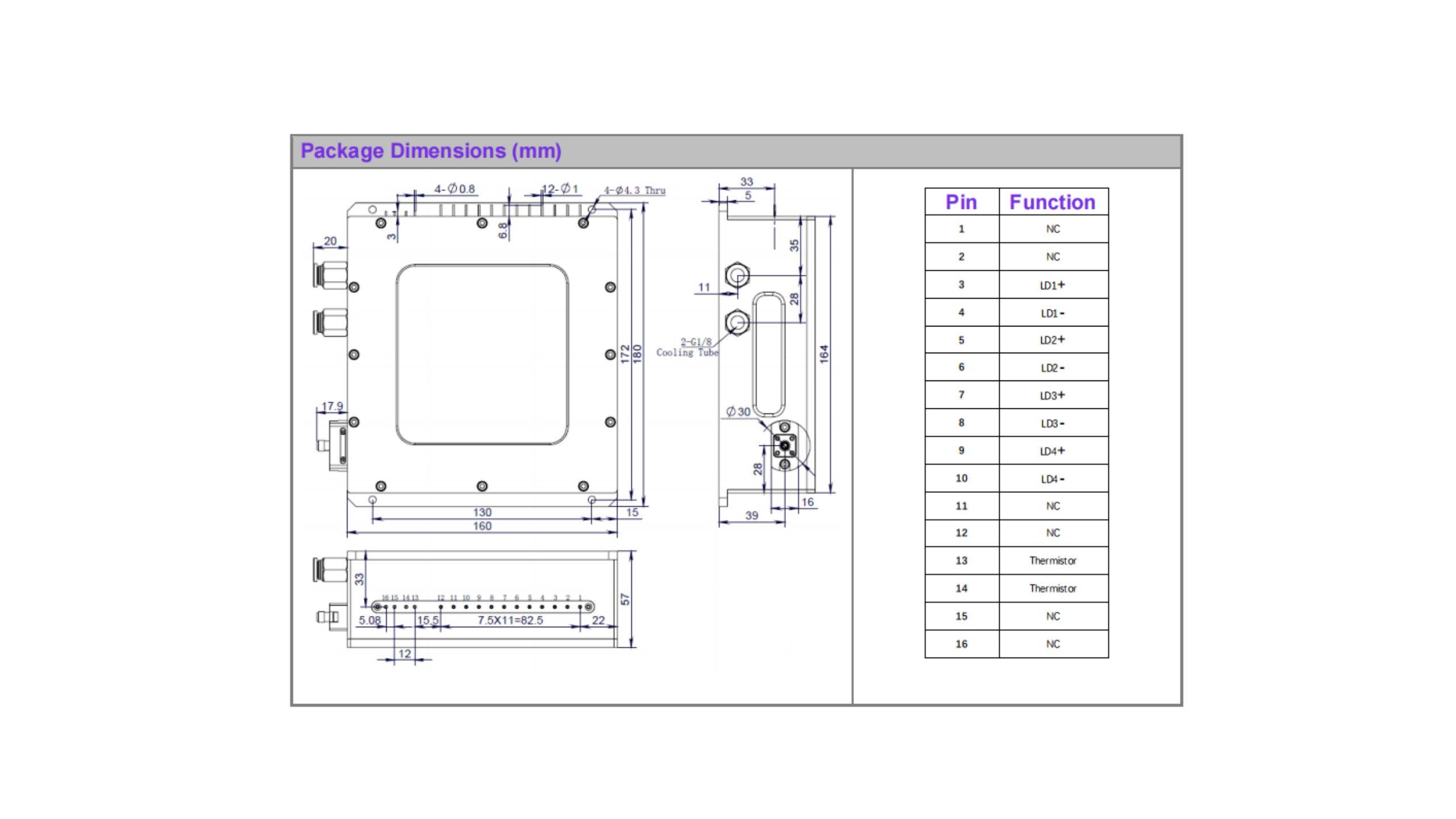
Structure Size (mm)
Instructions for use
- Avoid eye and skin exposure to direct radiation during operation.
- ESD precautions must be taken during storage, transportation and operation.
- Short-circuit is required between pins during storage and transportation.
- Please connect pins to wires by solder instead of using socket when operation current is higher than 6A. Soldering point should be close to the middle of the pins. Soldering temperature should be lower than 260℃ and time shorter than 10 second.
- Make sure the fiber output end is properly cleaned before operation of laser. Follow safety protocols to avoid injury when handling and cutting the fiber.
- Use constant current power supply to avoid surge current during operation.
- Laser diode must be used according to the specifications.
- Laser diode must work with good cooling.
- Operation temperature ranges from 15℃ to 35℃ .


