940nm-10W
BWT has nearly two decades of design, development, and manufacturing experience in the field of diode laser fiber coupling. This type of diode laser is used in fiber laser pump source applications. Based on a variety of coupling technology solutions and thermal management, the products can meet the power, brightness, wavelength control, power-to-weight ratio, and other special requirements of different customers.BWT widely uses automation equipment to ensure the consistency of batch product performance; Multiple quality inspections are performed on each chip and component to ensure long-term reliability; Experienced Chinese and European technical teams provide products for product design, development, and manufacturing. Solid technical support.
Main features:
Application:
Performance Parameter
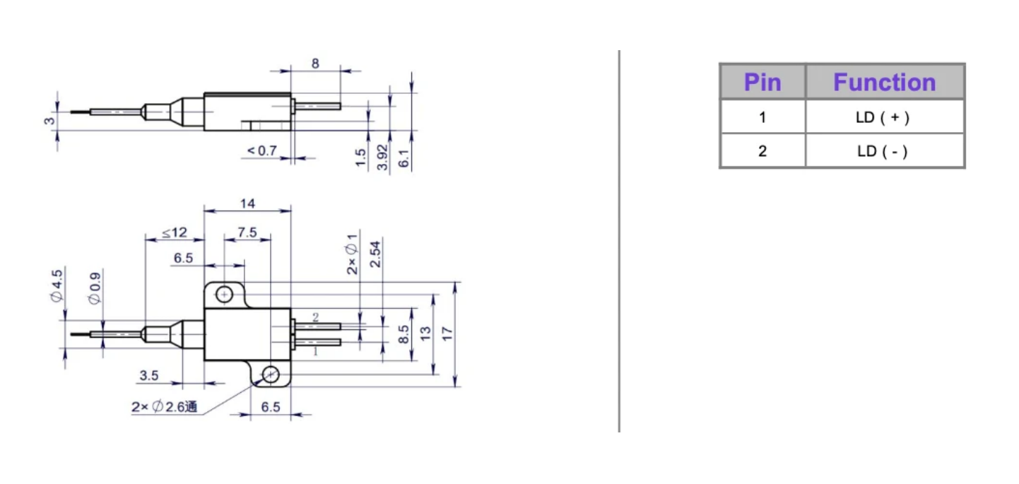
Structure Size (mm)
Instructions for use


